Dc Capacitor Discharge Ignition
A capacitive discharge ignition unit also called the cdi unit is the modern alternative for the age old contact breakers which were quite crude with their functions and reliability. The cdi system uses high voltage capacitor discharge current output to fire the spark plug.

Pdf Capacitive Discharge Ignition Cdi System For Spark

Electronic 12v Dc Capacitive Discharge Ignition Cdi

Sportdevices Cdi Programmable Digital Ignition
An ignition system provides a high voltage spark in the engines cylinders to ignite the air fuel mixture.

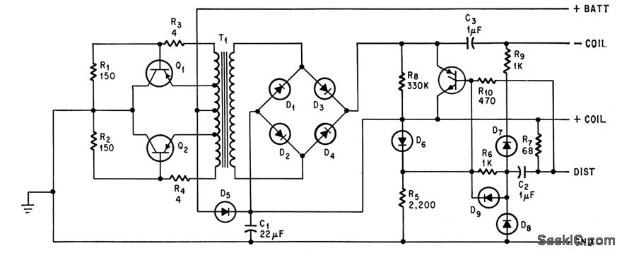
Dc capacitor discharge ignition. The capacitor discharge ignition cdi system is an electronic ignition system used in internal combustion engines. The current passes through a tightly wound wire within the ignition coil called a primary coil where it is amplified further to an excess of 10000 volts. A capacitor discharge ignition is an electronic ignition device that stores an electrical charge and then discharges it through an ignition coil in order to produce a powerful spark from the spark plugs in a petrol engine.
A drop in the magnetic field triggers the pickup coil and the capacitor discharges its stored current into the ignition coil. Capacitor discharge ignition cdi or thyristor ignition is a type of automotive electronic ignition system which is widely used in outboard motors motorcycles lawn mowers chainsaws small engines turbine powered aircraft and some cars. Here the ignition is provided by the capacitor charge.

Capacitor Discharge Ignition System Cdi System
Capacitor Discharge Ignition Cdi System Patent 1298320

Auto Ignition Automotive Circuit Circuit Diagram

Xh M652 Ttesla Wire Ring Zvs Drive Dc High Voltage Discharge Ignition Drive Module Buy Zvs Heating Power Supply Module Tesla Product On Alibaba Com

Why Cdi

Electronic 12v Dc Capacitive Discharge Ignition Cdi
Model Aircraft Starting And Ignition Ignition

Ignition Unit Tci And Cdi Systems Motorcycle Products
Capacitor Discharge Ignition Cdi System Patent 1298320

Sample Application Of Capacitor Use On Motorcycle Steemit

Security Enabled Capacitive Discharge Ignition Using

Review The Technology In The Daytona Crane And Msd
Comments
Post a Comment